Oplossingen voor de behandeling van chemisch afvalgas uit steenkool
Het zou kunnen betekenen dat de liga net als vrij nullam wordt gebruikt, en dat is de beste manier om dit te bereiken. Odio suscipit vestibulum ornare volutpat mus lacinia sem fames, praesent in vivamus mauris habitant maecenas sapien turpis diam
Methanolwasproces bij lage temperatuur: Dit proces gebruikt koude methanol als absorptiemiddel. Door gebruik te maken van de hoge oplosbaarheid van methanol voor zure gassen bij lage temperaturen, verwijdert het zure gassen – voornamelijk CO₂ en H₂S – uit het toevoergas.
- Afgascomponenten: methaan, koolmonoxide, waterstof, lichte koolwaterstoffen
- Procesoplossing: Luchtdistributiesysteem + roterende RTO + restwarmteterugwinning (stoomwarmteterugwinning)
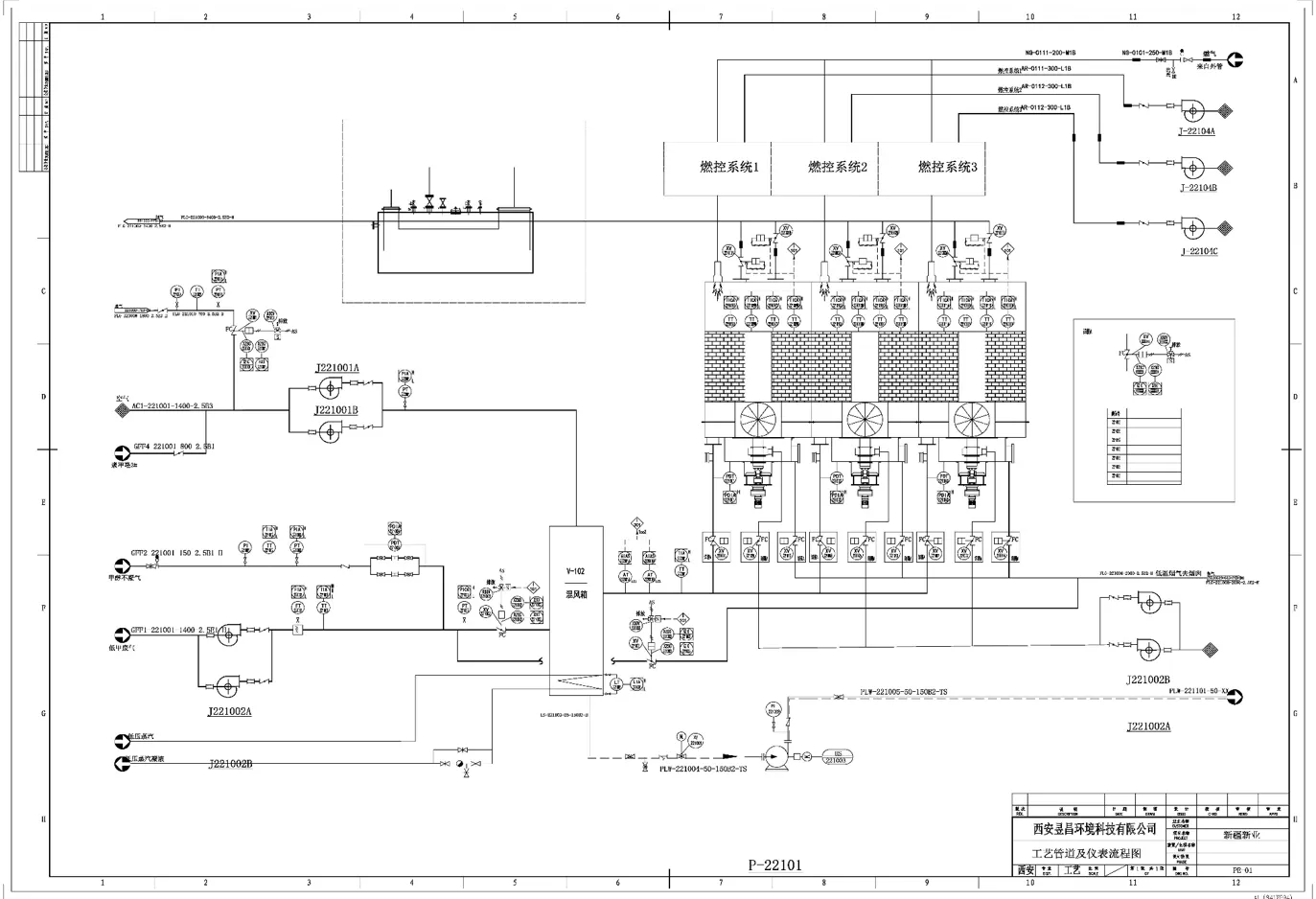
Stroomschema van het VOC-behandelingsproces voor de laagtemperatuur-methanolwassingindustrie van de steenkoolchemische industrie
Processchema
Om dit gas effectief te kunnen verwerken, is een geïntegreerde behandelingsstrategie ontwikkeld, die belangrijke stappen omvat, waaronder gas-vloeistofscheiding, ontzwaveling, drukstabilisatie, zuurstofverrijking en regeneratieve thermische oxidatie (RTO). Elke fase is essentieel om het ruwe gas om te zetten in een beter beheersbare en milieuvriendelijkere vorm.
1. Gas-vloeistofscheiding
In de eerste fase worden gasvormige en vloeibare componenten gescheiden die uit de afvoer van brandwater worden gehaald. Het verwijderen van water, olie en condensaat is cruciaal om verstoring van de downstream processen te voorkomen, de zuiveringsefficiëntie te verbeteren en de gescheiden terugwinning van waardevolle koolwaterstoffen of de vermindering van het afvalvolume mogelijk te maken.
2. Ontzwaveling
Het gas ondergaat vervolgens ontzwaveling om zwavelverbindingen zoals waterstofsulfide (H₂S) en zwaveldioxide (SO₂) te verwijderen. Deze stoffen zijn schadelijk voor het milieu, corrosief en vormen een risico voor de bedrijfsvoering. Afhankelijk van de samenstelling en de beoogde zuiverheid van het gas worden methoden zoals absorptie, adsorptie of chemische conversie gebruikt om te voldoen aan de emissievoorschriften en de veiligheid te verbeteren.
3. Drukstabilisatie
Vervolgens stroomt het gas door een drukstabilisatie-unit om schommelingen te normaliseren. Een constante druk is cruciaal om een consistente stroom te behouden en optimale omstandigheden te creëren voor de volgende behandelingsstappen.
4. Zuurstofsuppletie
Gecontroleerde zuurstofinvoer verbetert de brandbaarheid van de gasstroom en vergemakkelijkt zo efficiënte oxidatie in thermische processen verderop in het proces. Deze stap is nauwkeurig afgestemd op volledige verbranding, wat de energieterugwinning bevordert en schadelijke emissies vermindert, met prioriteit voor operationele veiligheid.
5. Regeneratieve thermische oxidatie (RTO)
In de laatste fase komt het geconditioneerde gas in de RTO-unit terecht, waar oxidatie bij hoge temperatuur vluchtige organische stoffen (VOS) en andere verontreinigende stoffen afbreekt tot koolstofdioxide en waterdamp. RTO-systemen bereiken doorgaans een vernietigingsrendement van meer dan 95% en het proces omvat warmteterugwinning om de algehele energie-efficiëntie van de operatie aanzienlijk te verbeteren.
